Küldj egy emailt nekünk
Termékek
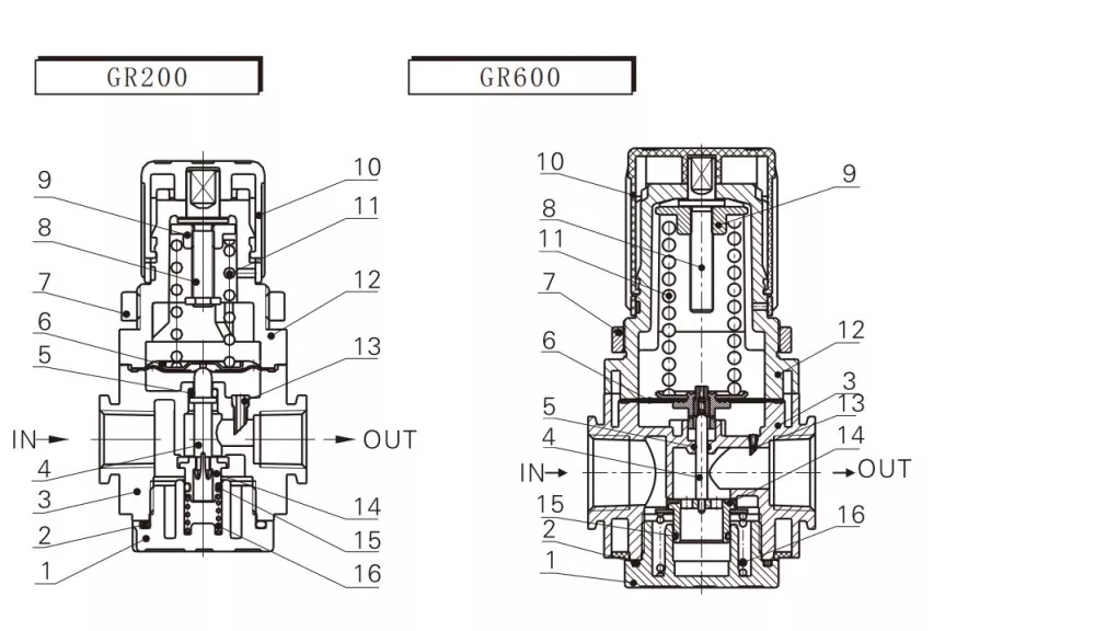
Airtac típusú GR nyomásszabályozó
  • Airtac típusú GR nyomásszabályozóAirtac típusú GR nyomásszabályozó

Airtac típusú GR nyomásszabályozó

Biztos lehet benne, hogy gyárunkból vásárol Airtac típusú GR nyomásszabályozót, mi pedig a legjobb értékesítés utáni szolgáltatást és időben történő szállítást kínáljuk Önnek.

· A kiegyensúlyozott nyomásszabályozó szerkezet stabil nyomást, kis ingadozást és jó teljesítményt biztosít.

Airtac típusú GR nyomásszabályozó Termékjellemzők:

·A standard modell mellett alacsony nyomású típus is elérhető (maximális állítható nyomás: 0,4 MPa)

· A reteszelő kialakítás megakadályozza a külső erő által okozott véletlen nyomásbeállítást.

· A kiegyensúlyozott nyomásszabályozó szerkezet stabil nyomást, kis ingadozást és jó teljesítményt biztosít.

·Felszerelhető panelre vagy opcionális tartókonzollal.

·A standard modell mellett alacsony nyomású típus is elérhető (maximális állítható nyomás: 0,4 MPa)


GR nyomásszabályozó szimbólum:

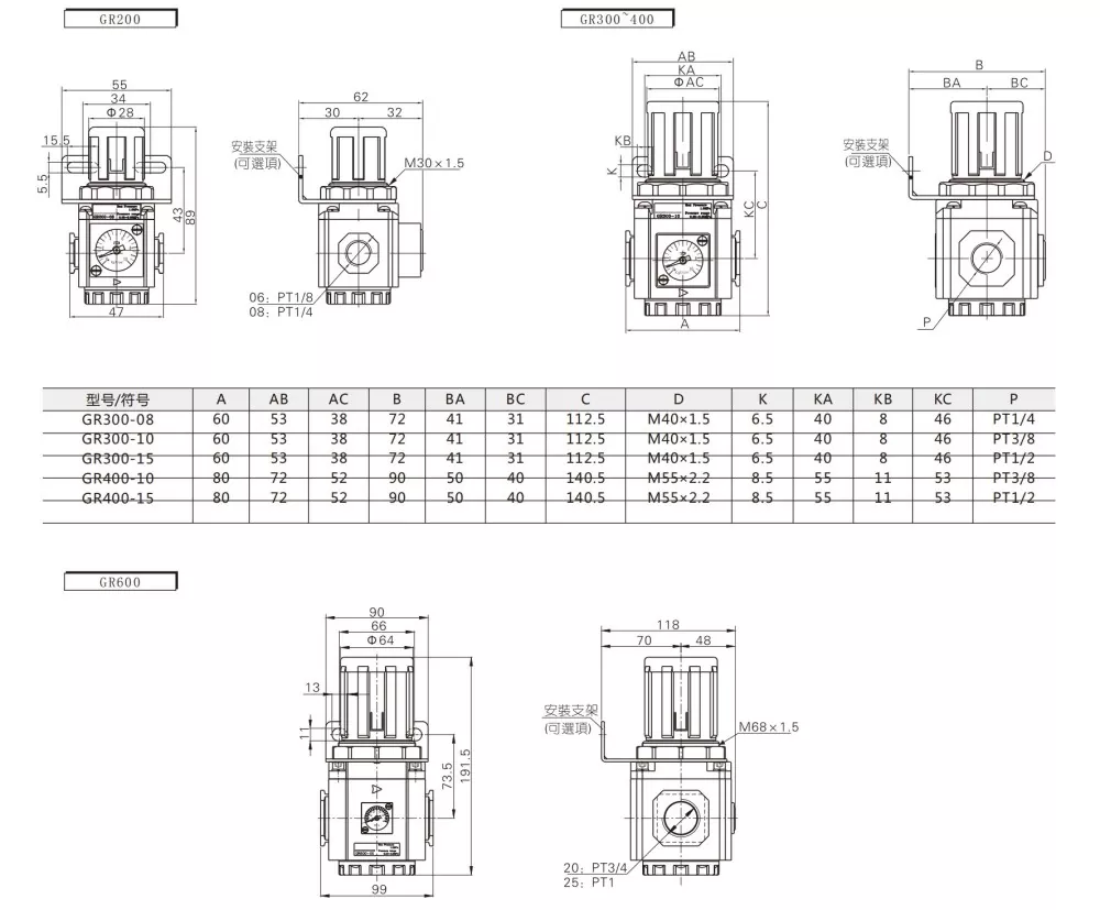
Rendelési kód

GR200

--

08

Modell:

 

Port mérete:

GR200 sorozatú nyomásszabályozó

 

06:PT:1/8

GR300 sorozatú nyomásszabályozó

 

08:PT1/4

GR400 sorozatú nyomásszabályozó

 

10:PT3/8

GR600 sorozatú nyomásszabályozó

 

15:PT1/2

 

 

20:PT3/4

 

 

25:PT1


Modell

GR200-06

GR200-08

GR300-08

GR300-10

GR300-15

GR400-10

GR600-25

GR600-20

GR600-25

Munkaközeg

LEVEGŐ

Port mérete

PT1/8

PT1/4

PT1/4

PT3/8

PT1/2

PT3/8

PT1/2

PT3/4

PT1

Üzemi nyomástartomány

0,05-0,9 MPa (20-130 psi)

Üzemi nyomástartomány

1,5 MPa (215 psi)

TEM.

-20--70 ℃

Súly

160g

350g

720g

1700g


Az Airtac típusú GR nyomásszabályozó beállítása

A beállító sapkán nyomásskála található. Ha levegőt kap, húzza fel a gombot, és forgassa az óramutató járásával megegyező irányba a „+” jel felé a nyomás növeléséhez. A beállítás után nyomja le a gombot a rögzítéshez.


1. lépés: Fogja meg a gombot, és húzza felfelé.

2. lépés: Forgassa el az óramutató járásával megegyező irányba a nyomás növeléséhez.

3. lépés: Nyomja le a gombot a rögzítéshez a beállítás után.


Megjegyzés: Csatlakoztatáskor ügyeljen a légáramlás irányát jelző nyílra. A fordított bemeneti csatlakozás levegőszivárgást okozhat.




GYIK:

Mit jelent a GR?

A GR jelentése GR sorozatú légszabályozó.


Mit jelent a GFC?

GFC=GFR+GL  (szűrőszabályozó + kenőanyag)


Mit jelent a GC?

GC=GF+GR+GL (szűrő + pneumatikus szabályozó + kenőanyag)



Hot Tags: Airtac Type GR nyomásszabályozó, Kína, gyártó, szállító, gyár
Kérdés küldése
Elérhetőségei
Üdvözöljük weboldalunkon! Termékeinkkel vagy árlistáinkkal kapcsolatos kérdéseivel kapcsolatban kérjük, hagyja e-mail-címét, és 24 órán belül felvesszük Önnel a kapcsolatot.
Email
cici@olkptc.com
Mobil
+86-13736765213
Cím
Zhengtai út, Xinguang ipari övezet, Liushi, Yueqing, Wenzhou, Zhejiang, Kína.
X
Cookie-kat használunk, hogy jobb böngészési élményt kínáljunk, elemezzük a webhely forgalmát és személyre szabjuk a tartalmat. Az oldal használatával Ön elfogadja a cookie-k használatát. Adatvédelmi szabályzat
Elutasít Elfogadás