Küldj egy emailt nekünk
Termékek
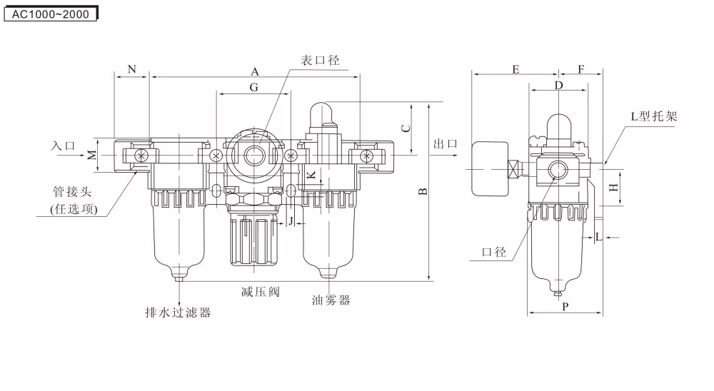
SMC típusú AC FRL egység
  • SMC típusú AC FRL egységSMC típusú AC FRL egység
  • SMC típusú AC FRL egységSMC típusú AC FRL egység
  • SMC típusú AC FRL egységSMC típusú AC FRL egység

SMC típusú AC FRL egység

Model:AC2000-02
Az SMC típusú AC FRL egység (szűrő-szabályozó-kenő) egy pneumatikus alapelem, amely integrálja a levegőforrás szűrését, a nyomáscsökkentést és -szabályozást, valamint a kenési kezelést. Tiszta, stabil és olajozott sűrített levegőt biztosít a pneumatikus rendszerek számára, ezáltal meghosszabbítja a pneumatikus alkatrészek élettartamát és javítja a rendszer stabilitását. Az OLK AC sorozatú FRL egység a modern pneumatikus rendszerek alapvető „őrzőjeként” működik.
  • Brand:

    OLK
  • Type:

    SMC TYPE AC SERIES
  • Port size:

    PT1/8 ; PT1/4 ; PT3/8 ; PT1/2 ; PT3/4 ; PT1
  • Filter Material:

    Copper filter

SMC típusú AC FRL egység jellemzői és kialakítása:

Önzáró beállítás: Nyomásos önzáró mechanizmussal rendelkezik. Miután beállította a kívánt nyomást, egyszerűen nyomja le a gombot a rögzítéshez. Ez megakadályozza, hogy a beállított nyomás megváltozzon külső rezgések vagy véletlen érintkezés következtében.

Sokoldalú vízelvezetés: Kézi ürítéssel és automatikus leeresztéssel is elérhető, hogy megfeleljen a különböző működési feltételeknek. Az átlátszó tál lehetővé teszi a vízszint egyszerű nyomon követését.

Nagy pontosságú mérő: Nagy pontosságú nyomásmérővel van felszerelve a tiszta, pontos leolvasás és a rendszernyomás valós idejű monitorozása érdekében.

SMC típusú AC FRL egység megjegyzés:

Ellenőrizze az áramlási irányt: Kérjük, ellenőrizze a légáramlás irányát a telepítés előtt! A szeleptest tetején áramlási irányjelzések (nyilak vagy IN/OUT) találhatók. Szigorúan kövesse ezeket a mutatókat a telepítéshez. A fordított beszerelés hibás működést vagy szivárgást okozhat.

Rendszeres karbantartás: Rendszeresen ellenőrizze a vízszintet az edényben, és eressze le, ha kézi leeresztőt használ. Ha kevés a kenőolaj, töltse fel újra (ISO VG32 turbinaolaj ajánlott).

SMC típusú AC FRL egység szimbólum:

Rendelési kód

AC

2000

-

02

-

D

sorozat kódja

Kagyló mérete

 

Port mérete:

 

Leeresztési módszer

AC: SMC típusú AC FRL egység

1000

 

M5:M5

 

Üres: Kézi ürítés

 

2000

 

02:1/4

 

V: Nyomáskülönbség leeresztés

 

3000

 

03:3/8

 

D: Automatikus leeresztés

 

4000

 

04:1/2

 

 

 

5000

 

06:3/4

 

 

 

 

 

10:1

 

 

 

Profi nyomás

1,5 Mpa (15,3 kgf/cm³)

Max. Üzemi nyomás

1,0 MPa (10,2 kgf/cm³)

A környezet és a folyadék hőmérséklete

5-60 ℃

Szűrőnyílás

5μm

Olaj

ISOVG32

Pohár anyagok

PC

Kupa kapucni

AC1000-2000 (NÉLKÜL) AC3000-5000 (VEL)

Nyomásszabályozási tartomány

AC1000: 0,05-0,7 Mpa (0,51-7,1 kgf/cm³)

AC2000-5000: 0,05-0,085 Mpa (0,51-8,7 kgf/cm³)

Nyomásmérő nyílás sorozat


2000-es sorozat

3000-es sorozat

4000-es sorozat

5000-es sorozat

AW

1/8

1/4

AC

BR

1/4

-

BFC

-

Az SMC típusú AC FRL egység telepítési lépései:

Először szerelje fel az illesztéseket PTFE szalaggal és a nyomásmérővel

2. Kövesse a nyíl irányát: a bal oldalon a levegő beömlő, a jobb oldalon a levegőkimenet

3. Csatlakoztassa a levegőcsöveket a megfelelő csatlakozókhoz mindkét végén

4. Emelje fel a nyomásállító anyát, és forgassa el a nyomás szabályozásához; az óramutató járásával megegyező irányba forgatva növeli a légáramlást, míg az óramutató járásával ellentétes irányba forgatva csökkenti a légáramlást

5. Állítsa be a kívánt légnyomást, majd nyomja le a beállító anyát a levegő rögzítéséhez

6. Ha üzemanyagra van szükség, lazítsa meg az olajozó csavarját

7. Öntsön pneumatikus karbantartó olajat vagy turbinaolajat az olajbemenetbe (bizonyosodjon arról, hogy a pneumatikus olaj nem haladja meg a csészén jelzett olajszint vonalat)

8. A pneumatikus olaj feltöltése után húzza meg az anyát imbuszkulccsal

9. Állítsa be az olajellátást forgatással: az óramutató járásával megegyező irányban növeli az olajáramlást, az óramutató járásával ellentétes irányban csökkenti


Lefolyó típusa

Működési elv

Alkalmazási környezet

Előnyök

Hátrányok

Kézi leeresztés

A szűrőedényben felgyülemlett víz a leeresztő szelep szabályos időközönkénti kézi forgatásával vagy megnyomásával távozik. Az, hogy a vízelvezetés teljes, a kézi működtetéstől függ.

Egyszerű rendszerek vagy alkalmazások ritka vízelvezetési igényekkel.

Egyszerű szerkezet, alacsony meghibásodási arány, nincs szükség további karbantartásra.

Kézi működtetésre támaszkodik; könnyű elfelejteni az ürítést. A túlzott víz felhalmozódás befolyásolhatja a szűrési teljesítményt.

Nyomáskülönbség leeresztés

A szűrő előtti és utáni nyomáskülönbséget használja. Amikor a kondenzvíz felhalmozódása növekszik és a nyomáskülönbség elér egy előre beállított értéket, a lefolyó automatikusan kinyílik. Újra zár, ha a nyomáskülönbség visszatér a normál értékre. Csak légnyomás és áramlás esetén működik.

Stabil levegőellátású és egyszerű működési feltételekkel rendelkező környezetek, ahol a kézi működtetés nem kényelmes.

Nincs szükség tápellátásra. Automatikus vízelvezetés, megbízhatóbb, mint a kézi ürítés.

Stabil légnyomást igényel. A vízelvezetési teljesítmény korlátozott hosszú leállások esetén, vagy ha nincs nyomáskülönbség.

Automatikus leeresztés

Úszó mechanizmust vagy időzítőt használ. Amikor a kondenzvíz elér egy bizonyos szintet, a lefolyó automatikusan kinyílik

Automatizált gyártósorok és rendszerek magas sűrített levegő minőségi követelményekkel.

Legidőszerűbb és legstabilabb vízelvezetési teljesítmény.

Viszonylag magasabb költség.


AFQ:

Miért hívják AC FRL-nek?

AF (légszűrő) + AR (nyomásszabályozó szelep) + AL (olajköd-kenő) = AC három egység


Ajánlott csatlakozási mód

Légkompresszor -- Levegőforrás processzor -- Vezérlőelem -- Működtető


Mi a teendő, ha a műanyag pohár védőburkolata gyakran könnyen eltörik?

Egyes vásárlók gyakran tapasztalják, hogy a műanyag poharak nem a nyomás, hanem az anyag miatt repednek meg. A műanyag poharak nem ellenállnak bizonyos környezeteknek, így a fémpoharak jobb alternatívát jelentenek bizonyos körülmények között


Hogyan lehet meghosszabbítani a mágnesszelepes hengerek élettartamát?

A szűrő használata eltávolíthatja a nedvességet és a szennyeződéseket a levegőből, hatékonyan csökkentve a dugattyúk és tömítőgyűrűk súrlódási károsodását. A turbinaolaj adagolásához kenőanyagot lehet használni, amelyet aztán a levegő magával visz a hengerdugattyú és a tömítőgyűrűk kenésére. A nyomásszabályozó szabályozhatja a beszívott levegő nyomását, tovább javítva a munka hatékonyságát


Milyen anyagból készült az OLK szűrőeleme?

Az OLK 25 μm szűrési pontosságú réz szűrőelemeket használ, míg a hagyományos szálas szűrőelemek csak 5 μm pontosságúak. A nagy pontosságú szűrőelemek hatékonyan távolítják el a szennyeződéseket és a nedvességet a gázból, biztosítva, hogy a kimenő levegő száraz és szennyeződésmentes legyen.


Hot Tags: SMC típusú AC FRL egység, Kína, gyártó, szállító, gyár
Kérdés küldése
Elérhetőségei
Üdvözöljük weboldalunkon! Termékeinkkel vagy árlistáinkkal kapcsolatos kérdéseivel kapcsolatban kérjük, hagyja e-mail-címét, és 24 órán belül felvesszük Önnel a kapcsolatot.
Email
cici@olkptc.com
Mobil
+86-13736765213
Cím
Zhengtai út, Xinguang ipari övezet, Liushi, Yueqing, Wenzhou, Zhejiang, Kína.
X
Cookie-kat használunk, hogy jobb böngészési élményt kínáljunk, elemezzük a webhely forgalmát és személyre szabjuk a tartalmat. Az oldal használatával Ön elfogadja a cookie-k használatát. Adatvédelmi szabályzat
Elutasít Elfogadás